
SSF802-K1200 Flat Top Conveyor Chain
SSF802-K1200 Straight Running Stainless Steel Flat-Top Conveyor Chain | Double Hinge Design
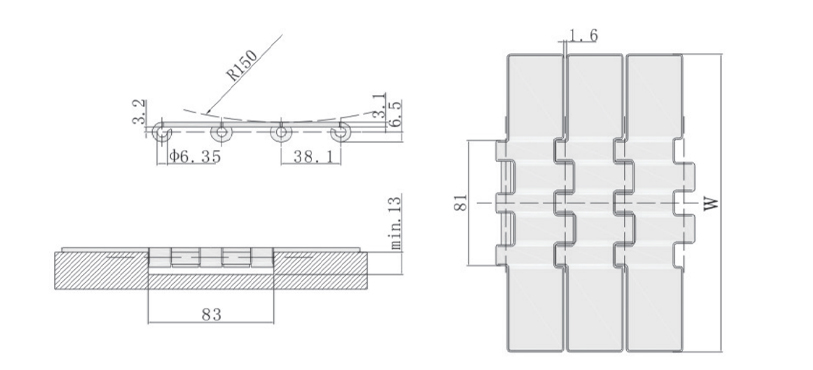
The SSF802-K1200 Flat Top Conveyor Chain is engineered for high-load straight-line material handling applications requiring exceptional stability and corrosion resistance. Featuring a double hinge pin design and 304.8mm chain width, this stainless steel flat-top chain plate delivers superior surface evenness (±1mm) and a robust load capacity of 8.33kg/m, making it ideal for rigorous industrial environments.
✅ Core Specifications
- Chain No.: SSF802-K1200
- Chain Width: 304.8 mm (12″)
- Surface Evenness: ≤1 mm deviation
- Weight per Meter: 8.33 kg/m
- Material: Grade 304 Stainless Steel
- Hinge Type: Double Hinge Pin Reinforcement
Key Advantages of SSF802-K1200 Flat Top Chain
Heavy-Duty Stainless Steel Construction
- Corrosion Resistance: Withstands acidic/alkaline environments, steam cleaning, and high humidity, perfect for food processing.
- High Tensile Strength: Supports static loads up to 1,200 kg/m, exceeding industry standards for automotive part assembly lines.
Precision Straight-Running Design
- Ultra-Flat Surface: 1mm evenness ensures smooth product transfer without tipping, critical for glass bottle conveying systems
- Double Hinge Pin Technology: Dual-pin reinforcement minimizes lateral deflection under heavy loads, maintaining chain alignment on long conveyors.
Industry-Adaptive Performance
- Hygienic Compliance: FDA-approved surfaces prevent bacterial buildup in pharmaceutical packaging applications.
- Temperature Resilience: Operates flawlessly from -30°C to 400°C, suitable for frozen food lines and high-temperature drying processes.
Technical Parameters
| Paramètre | Spécification |
|---|---|
| Pas de chaîne | 63.5 mm (2.5″) |
| Max Speed | 75 m/min |
| Hinge Pin Diameter | 10 mm (Double Reinforced) |
| Certifications | ISO 9001, FDA, RoHS |
Target Industries & Applications
Target Industries & Applications
➡️ Glass Manufacturing
Transparent glass sheet transfer with scratch-resistant surfaces.
➡️ Food & Beverage Processing
Hygienic conveying of canned goods, bottled beverages, and frozen products.
➡️ Automotive Assembly
Heavy engine component transport with zero misalignment tolerance.
➡️ Pharmaceutical Packaging
Sterile vial handling in cleanroom-certified production lines.
Options de personnalisation
We specialize in tailored flat top chain solutions:
- Width Variations: 100mm to 600mm chain plate customization.
- Attachment Integration: Add cleats, guides, or RFID sensor slots.
- Hybrid Material Designs: Combine stainless steel hinges with low-friction polymer plates.
Our technical team supports OEMs, conveyor manufacturers, and system integrators with application-specific flat top chain designs.
Contact us today to receive technical assistance, drawings, or a tailored quotation for your conveyor project.
Graphique
Questions fréquemment posées
Yes – flat top chains (slat chains) provide higher rigidity and precision compared to flexible belts, ideal for robotic palletizing systems.
Self-lubricating bushings reduce maintenance; apply food-grade grease every 800 operational hours in high-load scenarios.
Absolutely. Submit your CAD drawings for chains with custom pitches (25-150mm) or specialized edge treatments.
Its wide 304.8 mm flat top surface and reinforced double hinge pin design provide high load capacity, excellent stability, and smooth straight running performance for industrial conveyors.
Yes. While optimized for straight running conveyors, the SSF802-K1200 flat top chain can be customized in width, pitch, or attachments to fit specific conveyor layouts or unique equipment requirements.
The chain is ideal for cartons, trays, bottles, glass containers, packaged food, and other flat-bottom items requiring stable and consistent transfer on industrial conveyors.











